





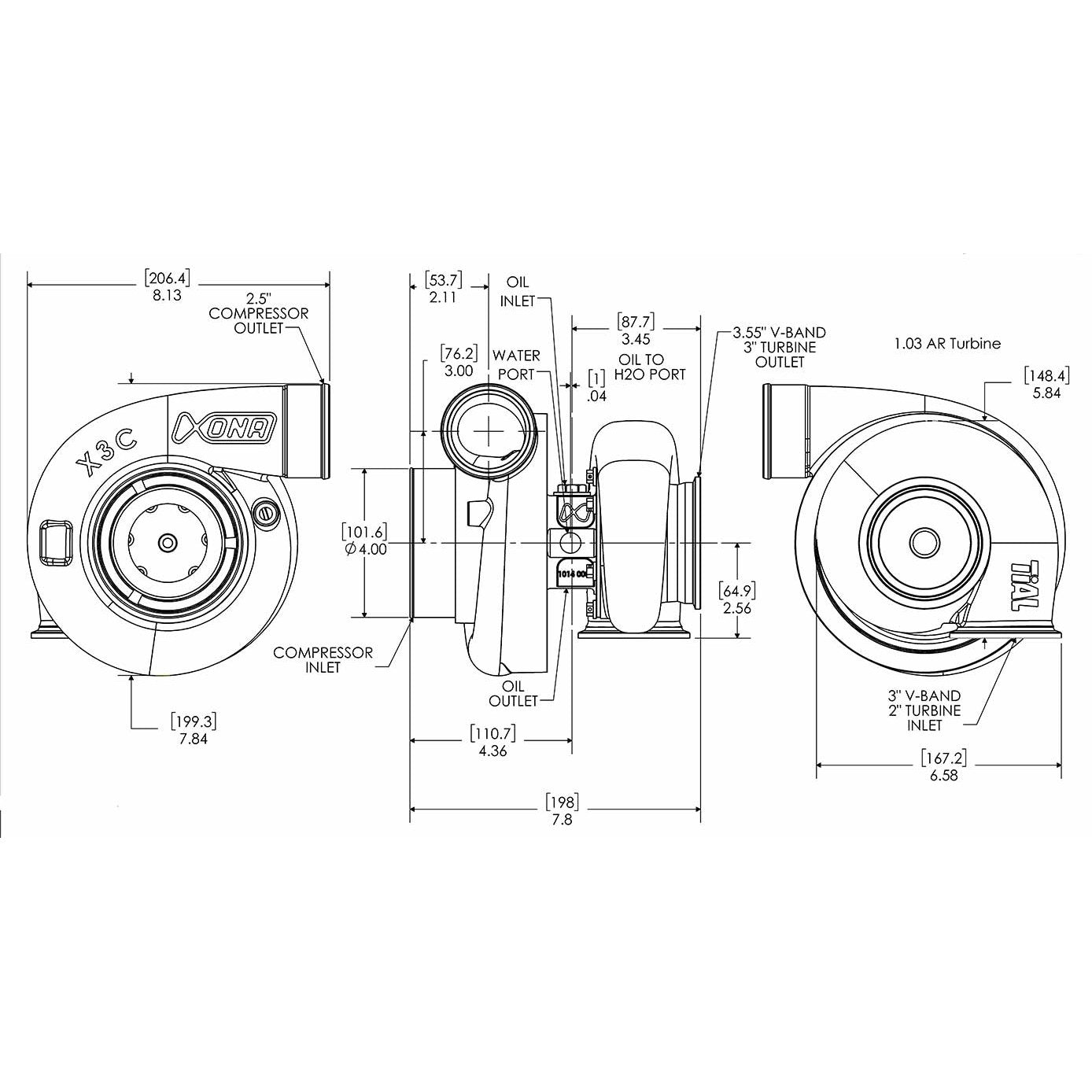
Xona Rotor X3C XR10569S | 550-1100 PS | Performance Turbo
13145
Bitte stellen Sie sicher, dass dies der richtige Turbo für Ihr Fahrzeug ist. Wenn Sie sich in irgendeiner Weise unsicher sind, rufen Sie bitte unser Supportteam unter 01924 894171 an.
Aus einer langjährigen Beziehung haben TiAL Sport und FP Turbo gemeinsam XONA ROTOR gegründet. Die Mission von Xona Rotor ist es, einen neuen Standard für Qualität und Leistung von Turboladern für den Motorsport und Leistungsmarkt zu setzen.
![]()
Merkmale eines XR10569S Turbo:
- 105LB/Min HTC-Kompressorrad
- 550 PS – 1100 PS
- 78/69MM Turbinenrad
- 72/99 MM Verdichterrad
- Doppeltes Keramikkugellager
- Leichtes Lagergehäuse aus Billet-Edelstahl
|
Turbinengehäuse |
Debitorenbuchhaltung |
Wastegate |
Auslauf |
| SS V-Band 0,63A/R | 0,63 | Extern | V-Band |
|
SS V-Band 0,82A/R |
0,86 |
Extern |
V-Band |
|
SS V-Band 1.03A/R |
1.03 |
Extern |
V-Band |
|
SS F3V (T3) T/H 0,63 A/R |
0,63 |
Extern | |
|
SS F3V (T3) T/H 0,82 A/R |
0,82 |
Extern | |
|
SS F3V (T3) T/H 1,03 A/R |
1.03 |
Extern | |
|
SS F3V (T3) T/H 1,21 A/R |
1.21 |
Extern |
Produktinformationen
Xona Rotor hat in seiner XR-Reihe von Hochleistungs-Turboladern innovative Funktionen implementiert, um Leistung und Haltbarkeit zu verbessern. Dazu gehört Xonas firmeneigenes Kugellagerpatronensystem mit variabler Vorspannung. Bei herkömmlichen Lagersystemen mit unzureichender Vorspannung kann es bei hohen Wellengeschwindigkeiten zu Kugelrutschen und Verschleiß kommen, was zu Reibverschleiß der Lagerringe und einer kurzen Lagerlebensdauer führt. Ausführlichere Informationen zu dieser bahnbrechenden Verbesserung finden Sie hier:
Xona Tech: Lagersystem mit variabler Vorspannung
Das Lagergehäuse selbst ist ein vollständig bearbeitetes, hochfestes Edelstahlbauteil mit einem erweiterten Wassermantel. Indem es den Bereich des Turbinendichtrings vollständig umgibt, bekämpft diese fortschrittliche Kühlfunktion den Wärmerückfluss und verhindert das Versagen des Kolbenrings für eine längere Haltbarkeit bei hohen Temperaturen.
Das Lagersystem eines Turboladers ist sein Herzstück, und Xona Rotor hat nichts vernachlässigt. Xona XR-Turbolader verwenden Hybrid-Kugellagerkartuschen (Keramikkugeln und Stahllaufringe), die man anderswo nicht findet. Diese hochpräzisen ABEC 7-Schrägkugellager bestehen aus fortschrittlichen M62-Hochgeschwindigkeitslaufringen aus Pulvermetallstahl, Siliziumnitrid-Keramikkugeln und metallischen Kugelkäfigen. Hier gibt es keine geschmolzenen Kugelkäfige. Zusammen bieten diese Merkmale eine deutlich höhere Robustheit und Haltbarkeit bei extremen Temperaturen im Vergleich zu herkömmlichen Kugellagersystemen.
Die meisten Hochleistungs-Turbolader verwenden heute einen einzelnen Kolbenring zur Abdichtung der Welle an jedem Ende. Im Gegensatz dazu verwenden Xona XR-Turbolader sowohl am Kompressor- als auch am Turbinenende Doppelringe. Diese Funktion reduziert Ölleckagen und Gaseindringungen an beiden Enden der rotierenden Baugruppe erheblich. Da die Dichtungslast auf zwei Ringe verteilt wird, werden außerdem die Verschleißraten reduziert und die Lebensdauer der Dichtung verlängert. Ergänzend dazu sind Ölschleudern mit großem Durchmesser in beide Enden der Welle integriert, wodurch Spritzöl an der Kolbenringdichtungsstelle innerhalb der Lagerpatrone weiter reduziert wird.
Das Kompressorregister des CHRA verfügt über ein überdimensioniertes Kompressor-Rückplatten- und Abdeckungsschnittstellensystem, das sehr tolerant gegenüber äußeren Belastungen ist und strukturelle Verzerrungen begrenzt, die zum Reiben des Kompressorrads und vorzeitigem Ausfall führen können.
Am Öleinlass bieten XR-Turbolader eine Auswahl an 7/16"-Umkehrbördel- oder geraden M12x1,25-Anschlüssen. In den Öleinlasshohlraum des CHRA ist ein großvolumiges „letztes Loch“-Ölfilterelement eingebaut, das verhindert, dass Ölverunreinigungen in das Lagersystem gelangen und Ölkanäle im Turbolader verstopfen. Am anderen Ende des Lagergehäuses des Xona XR ermöglicht ein modularer Ölablassflansch verschiedene Bolzenabstände.
Pairs well with

Xona Rotor X3C XR10569S | 550-1100 PS | Performance Turbo
Get Expert Fitment and Technical Advice from Industry Specialists.
-
Shipping Information
-
Contact Us
Use this text to answer questions in as much detail as possible for your customers.
