


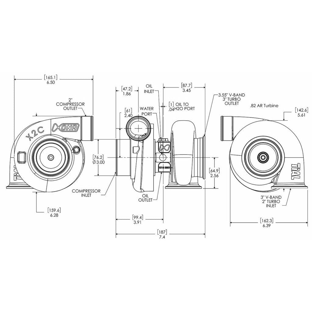
Xona Rotor X2C XR7867 | 410-820 bhp | Performance Turbo
02373
Please ensure this is the correct turbo for your vehicle, if you are unsure in any way please call our support team on 01924 894171.
Forged from a long standing relationship, TiAL Sport and FP Turbo have worked together to form XONA ROTOR. Xona Rotor's mission is to set a new standard for quality and performance for turbochargers being offered to motorsports and performance markets. At Xona Rotor playing follow the leader is fun. They plan to lead.
![]()
Features of a XR7867 Turbo:
- 78LB/Min HTC Compressor Wheel
- 410HP – 820HP
- 73/67MM Turbine Wheel
- 62.5/86MM Compressor Wheel
- Dual Ceramic Ball Bearing
- Billet Stainless Steel Lightweight Bearing Housing
|
Turbine Housing |
A/R |
Wastegate |
Outlet |
|
SS V-Band 0.82A/R |
0.86 |
External |
V-Band |
|
SS V-Band 1.03A/R |
1.03 |
External |
V-Band |
|
SS V-Band IWG 0.62A/R |
0.62 |
Internal |
V-Band |
|
SS V-Band IWG 0.80A/R |
0.80 |
Internal |
V-Band |
|
SS F3V (T3) T/H 0.63A/R |
0.63 |
||
|
SS F3V (T3) T/H 0.82A/R |
0.82 |
||
|
SS F3V (T3) T/H 1.03A/R |
1.03 |
||
|
SS F3V (T3) T/H 1.21A/R |
1.21 |
||
| T3/V . 0.85A/R - Gar OE | 0.85 | ||
| T3/V . 1.06A/R - Gar OE | 1.06 |
Product Information
Xona Rotor has implemented innovative features in its XR line of performance turbochargers to enhance performance and durability. Among them is Xona’s proprietary variable-preload ball bearing cartridge system. Traditional bearing systems with insufficient preload can experience ball sliding and scuffing at high shaft speeds, leading to fretting of the bearing races and short bearing life. For expanded details on this groundbreaking improvement, click here:
Xona Tech : Variable preload bearing system
The bearing housing itself is a fully-machined, high-strength stainless steel component with an extended water jacket. By fully surrounding the turbine seal ring land area, this advanced cooling feature combats heat soakback, preventing piston ring collapse for enhanced durability at high temperatures.
A turbocharger’s bearing system is its heart, and Xona Rotor has left nothing on the table. Xona XR turbochargers use hybrid (ceramic balls and steel races) ball bearing cartridges unlike those found elsewhere. These high-precision ABEC 7 angular contact ball bearings are made with advanced M62 high-speed powder metal steel races, silicon nitride ceramic balls and metallic ball cages. No melted ball cages here. Together these features deliver significantly elevated robustness and durability at extreme temperatures compared to conventional ball bearing systems.
Most performance turbochargers today use a single piston ring for sealing the shaft at each end. By contrast, Xona XR turbochargers employ twin rings at both the compressor and turbine ends. This feature dramatically reduces oil leakage and gas intrusion at both ends of the rotating assembly. Furthermore, since the sealing load is spread across two rings, wear rates are reduced and seal life is extended. Complementing this are large-diameter oil slingers incorporated into both ends of the shaft, further reducing splash oil at the piston ring seal location within the bearing cartridge.
The compressor register of the CHRA features an overbuilt compressor backplate and cover interface system that is very tolerant of external loads, limiting structural distortion that can lead to compressor wheel rubbing and premature failure.
At the oil inlet, XR turbochargers offer a choice of 7/16" inverted flare or straight M12x1.25 connections. Built into the oil inlet cavity of the CHRA is a large volume “last ditch” oil filter element that prevents oil contaminants from entering the bearing system and plugging oil passages within the turbocharger. At the other end of the Xona XR’s bearing housing, a modular oil drain flange allows for a variety of bolt spacing.
Pairs well with

Xona Rotor X2C XR7867 | 410-820 bhp | Performance Turbo
Get Expert Fitment and Technical Advice from Industry Specialists.
-
Shipping Information
-
Contact Us
Use this text to answer questions in as much detail as possible for your customers.
